"Электроплита «Мечта-8». Техническое описание и схема." - читать интересную книгу автора
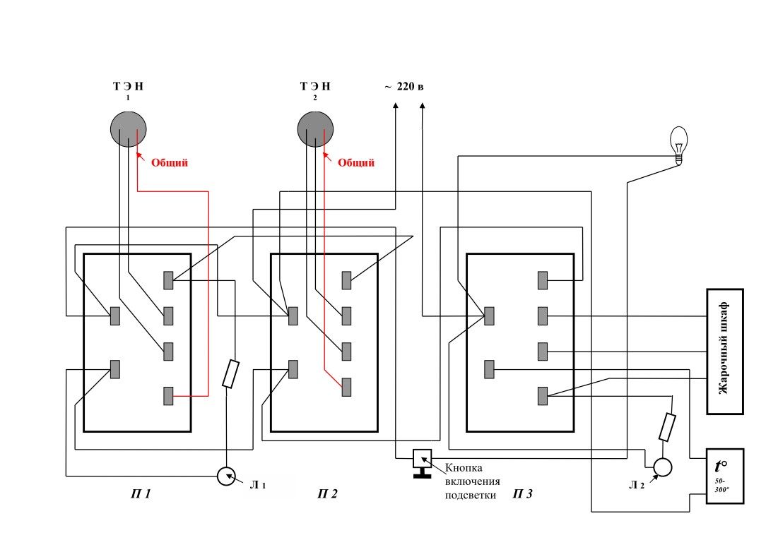
Электроплита «Мечта-8» представляет собой бескаркасную конструкцию, выполненную из листовой стали. Все основные детали корпуса покрыты силикатной эмалью. Электроплита имеет два корпуса: наружный и внутренний — жарочный шкаф, который изолирован асбестовой ватой и закрыт сверху листом алюминиевой фольги. Жарочный шкаф крепится к основанию с помощью четырех винтов и специального кропштейна. Патрон лампы подсветки закрепляется на кронштейне-зажиме на жарочном шкафу. Передняя часть жарочного шкафа соединяется с панелью десятью винтами. Гайки для соединения всей электроплиты заделываются в специальные хомутики, которые препятствуют повороту гаек и их выпаданию, что позволило создать бескаркасную конструкцию. В передней части электроплиты шарнирно устанавливается дверца. Дверца состоит из двух частей: внутренней панели со стеклом и наружного корпуса со стеклом, что позволяет уменьшить потерю теплоты при работе электроплиты. Дверца закреплена на оси с помощью двух кронштейнов. Фиксация дверцы в закрытом и открытом положениях осуществляется за счет двух профильных кронштейнов и двух пружин. Внутренняя панель имеет специальный выступ по всему периметру для надежного уплотнения Для открывания дверца оснащена ручкой, которая крепится к корпусу дверцы через пластмассовые втулки, что исключает передачу теплоты на ручку. Сверху электроплита закрывается съемной верхней крышкой. При приготовлении пищи крышка может откидываться, а при санитарной уборке — сниматься. На сборные четыре панели устанавливается и закрепляется шестью винтами плита с конфорками, на которой расположены два поддона конфорок и два ТЭН-а, опирающиеся на специальные подставки. ТЭН представляет собой металлическую трубку плоскоовальной формы, внутрь которой с наполнителем запрессованы спирали. ТЭН легко откидывается для чистки поддонов. Мощность каждого ТЭН-а — 1 кВт. ТЭН-ы соединяются с электропроводкой электросхемы с помощью быстросъемных клемм. Плита с конфорками и жарочный шкаф разделены воздушным пространством. Между плитой и жарочным шкафом в передней части плиты размещается блок управления 5, который крепится к передней панели плиты тремя винтами. На панели блока управления устанавливаются и закрепляются три пятипозиционных переключателя мощности конфорок и жарочного шкафа, терморегулятор. Данные приборы крепятся к металлической планке, установленной под панелью, с помощью двух винтов каждый. На панель выведены лампы подсветки, а также кнопка выключателя лампы подсветки жарочного шкафа. Жарочный шкаф обогревается тремя ТЭН-ами, расположенными один снизу, один сверху, один сзади, что позволяет нагревать продукт практически равномерно. В конструкции электроплиты предусмотрена блокировка, исключающая одновременное включение конфорок и жарочного шкафа. Четыре ножки электроплиты служат для установки ее в строго горизонтальном положении. Нагревательные элементы конфорок имеют мощность 1000 Вт каждый, их общее сопротивление составляет 200 Ом, а каждая в отдельности секция — 80 и 120 Ом. Нагревательные элементы жарочного шкафа имеют мощность 460 Вт, сопротивление каждого нагревателя 120 Ом. Терморегулятор предназначен для контроля за температурой в жарочном шкафу от 50 до 300°С. Лампы подсветки и сигнализируют о подключении к сети нагревательных элементов конфорок и жарочного шкафа. Лампа включается кнопочным выключателем в момент пользования жарочным шкафом. Правильность подключения конфорочных ТЭН-ов можно проверить не подключая плиту к сети. Для чего подсоединить омметр к сетевой вилке. Сопротивление должно быть, на 1-ом положение переключателя нагрева конфорки - 200 Ом; на 2- ом 120 Ом; на 3-ем 80 Ом; на 4-ом 48 Ом.
Рис. 1. Схема подключения электрических элементов |
||||
|
© 2026 Библиотека RealLib.org
(support [a t] reallib.org) |