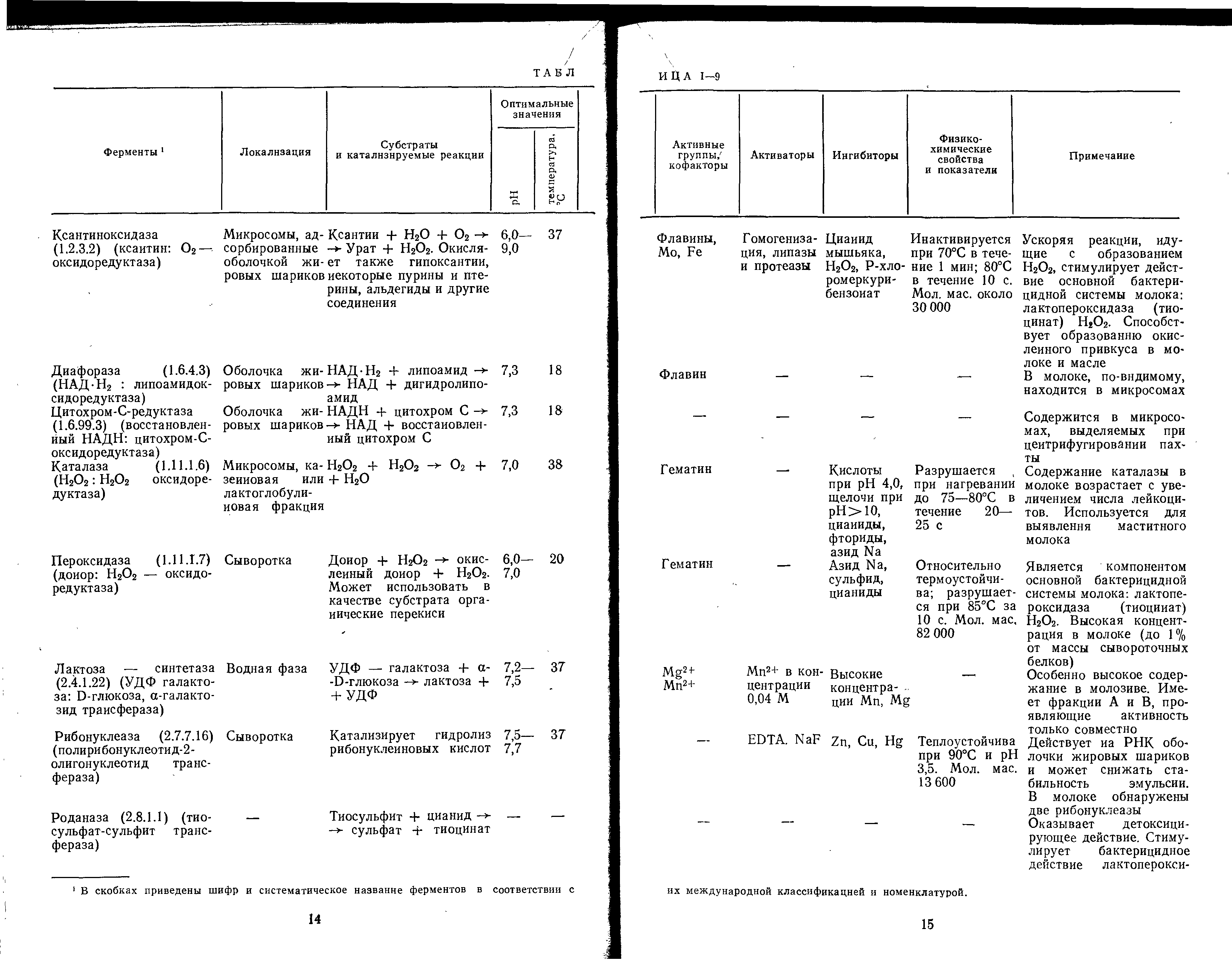
"Технология сыра" - читать интересную книгу автора (Авторы: Г.А.Белова, А.В.Гудков,...)