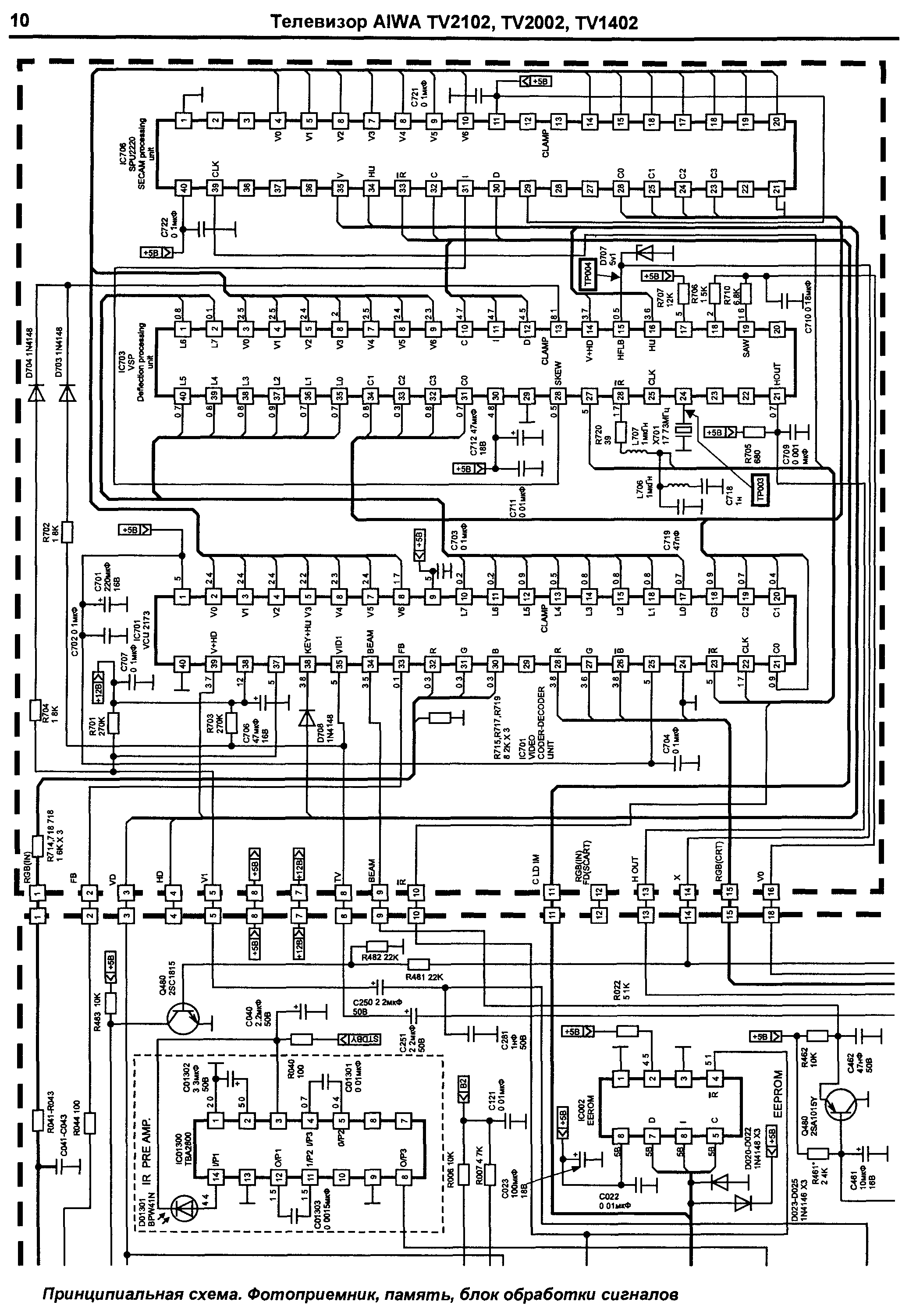
"Ремонт импортных телевизоров" - читать интересную книгу автора (А. В. Родин, Н. А. Тюнин)