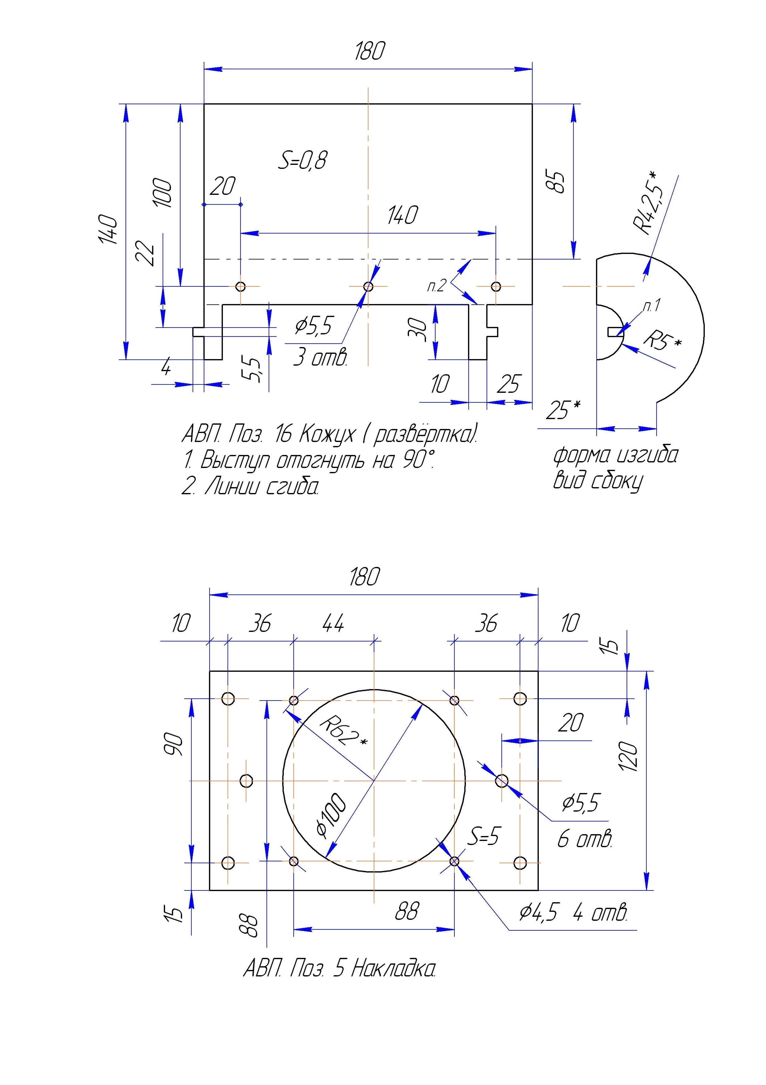
"Самодельный автоматический пылесос с аквафильтром" - читать интересную книгу автора (Молотков С.И.)