"Лекции по схемотехнике" - читать интересную книгу автора

2.2 Аналитическая запись логической формулы КЦУ 

Запись в форме СДНФ (Совершенная дизъюнктивная нормальная форма).

В СДНФ логическая формула представляет собой логическую сумму нескольких логических произведений, в каждое из которых входят все независимые переменные с отрицанием или без него.

Формула получается в два этапа:

а) Записывается логическая сумма произведений, в каждое из которых входят все независимые переменные. Количество слагаемых равно  числу наборов таблицы истинности, на которых логическая функция равна «1»;

б) ставится знак инверсии над теми независимыми переменными, которые равны «0» в рассматриваемом наборе.

Запись в форме СКНФ (Совершенная конъюнктивная нормальная форма).

В СКНФ формула представляет собой логическое произведение нескольких логических сумм, в каждую из которых все независимые переменные с отрицанием или без него.

Как и в предыдущем случае, формула получается в два этапа:

а) Записывается логическое произведение всех сомножителей; количество сомножителей равно числу наборов таблицы истинности, на которых логическая функция равна «0»;

б) ставится знак инверсии над теми независимыми переменными, которые равны «1» в рассматриваемом наборе.

Структурные формулы в виде СДНФ и СКНФ эквивалентны и, с помощью законов алгебры, логики могут быть преобразованы одна в другую.

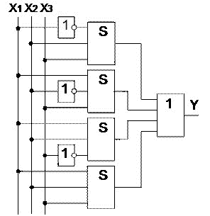
Пример: Синтезировать мажоритарный логический элемент на три входа.

Мажоритарным называется логический элемент, выходное состояние которого совпадает с большинством входных сигналов.

На основании данного словесного описания мажоритарного элемента составлена его таблица истинности (Таблица 5).


Таблица 5 - Таблица истинности мажоритарного элемента

X1 X2 X3 Y
0 0 0 0
0 0 1 0
0 1 0 0
0 1 1 1
1 0 0 0
1 0 1 1
1 0 1
1 1 1 1

На основе таблицы истинности записывается СДНФ или СКНФ функции, а затем составляется функциональная схема элемента.

СДНФ:

СКНФ:

Рисунок 3 Функциональная схема мажоритарного элемента


Функциональная схема элемента, составленная на основе функции СДНФ мажоритарного элемента, приведена на рисунке 3. Схема  состоит из 8 элементов, имеющих общее количество входов 19. Количество входов характеризует сложность схемы и называется «Число по Квайну». Схема составленная на основе функции СКНФ, также будет иметь 19 входов.